
技术天地
浅谈发电机转子交流阻抗试验方法与注意事项
发布日期:2021-02-28 点击:1430次
一、发电机转子交流阻抗试验的目的
如果转子绕组出现匝间短路,则转子绕组有效匝数就会减小,其交流阻抗就会减小,损耗会有所增大,因此,通过测量转子绕组交流阻抗和功率损耗,与历次试验数据相比,就可以有效地判断转子绕组是否有匝间短路。
二、试验方法及注意事项
1.试验方法
向转子绕组施加交流电压,读取电压、电流及功率损耗值。
施加电压的大小通过调压器调节。
2.试验用仪器
(1)转子交流阻抗测试仪、调压器。
(2)在现场没有转子交流阻抗测试仪时,可使用调压器、标准CT、交流电压表、交流电流表、有功功率表。
3.用交流阻抗测试仪测量
发电机转子交流阻抗测试仪为新型的测试仪器,装置内部自动计算电流、电压、功率、阻抗及曲线等相关数据,试验时只需调压即可,仪器会自动读取数据,并带过流过压保护报警功能。
4.无功补偿装置的作用
无功补偿装置是通过感性电流和容性电流之间的关系,可补偿试验电流30A到100A,对于大型发电机组,本试验使用的调压器如果有条件并接无功补偿装置,则调压器容量可以大大减小,可使用6KVA、250V的调压器。如果没有无功补偿箱,调压器容量将达到10KVA,比较笨重。
5.注意事项
(1)阻抗和功率损耗值自行规定。在相同试验条件下与历年数值比较,不应有显著变化。
(2)隐极式转子在膛外或膛内以及不同转速下测量。
(3)每次试验应在相同条件、相同电压下进行,试验电压峰值不超过额定励磁电压。
(4)转子到现场后,未穿入发电机前,应做膛外转子交流阻抗试验,穿入发电机后,可做膛内测试。此项目属于单体试验,应由安装单位进行。
(5)机组整套启动前,提前准备试验仪器及接线。测试工作负责单位由调试单位和安装单位协商进行。
(6)在机组升速过程中,选取不同的转速点测试,直到机组定速3000转。
(7)机组超速试验后,应再次进行本试验。
(8)试验时,应注意与励磁回路断开。以避免对励磁回路造成损害;受励磁设备的影响,不能加压。
(9)试验时,应选取足够容量的外接临时电源,并不使用带漏电保护的电源开关。
(10)试验前,应确认碳刷研磨符合工艺要求,以避免影响试验数据的准确性。
6.碳刷研磨的必要性
碳刷的弧度应研磨至和滑环的弧度一样,不然升速时转子打火很厉害,况且电弧产生熄灭间会有过电压,另外也直接影响到试验接线各环节接触的良好性,从而影响试验数据的准确性。
另外,所有的测量线尽量用粗而且短的线,因为有功功率损耗大部分消耗在转子线圈上,还有一部分会消耗在测量导线上,应尽量减少测量导线的有功损耗.
7.试验危险点及危险源
(1)连接工作电源时可能造成电对人体的危害。
(2)测试过程中人体接触到被试回路中设备,造成电对人体的危害。
(3)测试过程中因励磁回路电源未断开,带电拔碳刷,会产成电弧导致对设备的损害。
(4)向滑环上施加电压时,在旋转的转子旁工作时容易产生对人的危害。
8.试验安全措施
(1)在试验现场应用能迅速断开电源的开关。
(2)试验电源容量必须满足要求。
(3)必须在现场试验人员知晓的情况下,才能送上试验电源。试验结束后,必须断开试验电源才能撤离现场。
(4)在向转子夹接试验线时,应避免对人身的伤害,以及对转子滑环、碳刷架的损坏。
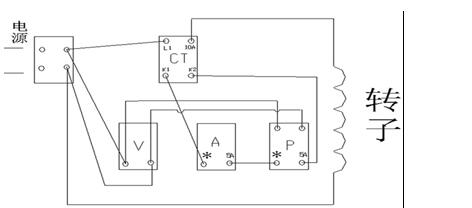
三、试验接线
如果现场没有交流阻抗测试仪,可使用以下仪器仪表,并按下图1-1接线。
图1-1 发电机转子交流阻抗试验接线图
使用仪器仪表:调压器、标准CT、交流电流表、交流电压表、有功功率功率表。
仪器仪表选用:要求提供交流阻抗测试仪膛外试验的数据,根据其施加电压选取交流电压表,根据试验结果选取标准CT、交流电流表、有功功率表。
四、试验结果判断及报告
1.试验结果判断
在相同试验条件下与历年数值比较,不应有显著变化。
2.试验报告应反映的数据
报告内容包括:项目名称、试验依据、仪表型号、编号、环境温度和湿度、测试时间、测试地点、被试设备名称、试验人员、试验结果及分析、结论。