
技术天地
20kV干式变压器预防性试验
发布日期:2021-02-27 点击:3443次
干式变压器
依据《电力设备预防性试验规程》(DL/T 596—1996),干式变压器预防性试验的项目主要有:
(1)测量绕组的直流电阻。
(2)测量绕组、铁芯、夹件、穿心螺杆等的绝缘电阻以及绕组的吸收比或(和)极化指数。
(3) 交流耐压试验。
1.1 测量绕组的直流电阻
1.1.1 测量目的
测量变压器绕组直流电阻是一个很重要的试验项目,测量变压器绕组直流电阻的目的是:
(1)检查绕组焊接质量;
(2)检查分接开关各个位置接触是否良好;
(3)检查绕组或引出线有无折断处;
(4)检查并联支路的正确性,是否存在由几条并联导线绕成的绕组发生一处或几处断线的情况;
(5)检查层、匝间有无短路的现象。
1.1.2 测量方法
因干式变压器容量往往不大,可直接测量其绕组的直流电阻,应分相进行测量,且高压侧和低压侧分开测量。以测量A相绕组直阻为例:测量高压侧时,把A相高压侧绕组A、X两端通过专用电缆与仪器的测试接线柱连接,测试电缆的大插片连接电流端,小插片连接电压端;测量低压侧时,将cx连接断开,具体接线如下:
图2.1 测量绕组直阻RAX和Rac接线图
1.1.3 判据
根据《规程》规定,变压器绕组直流电阻测量结果的判据如下:
(1)1.6MVA以上变压器各相绕组直流电阻相互间的差别不应大于三相平均值的2%,无中性点引出的绕组,线间差别不应大于三相平均值的1%;
(2)与以前相同部位测得值比较,其变化不应大于2%。
不同温度下的电阻值应按下式换算
R2=R1(T+t2)/(T+t1)
式中 R1、R2——在温度t1、t2时的电阻值;
T——计算用常数,铜导线取235,铝导线取225。
备注:接地变压器还应测试其二次电阻,各档位测试值应与其额定值、历史值相比较,其变化不应大于2%。
1.2 测量绝缘电阻及吸收比和极化指数
1.2.1 测量的有效性
测量绕组绝缘电阻及吸收比或极化指数,对检查变压器整体的绝缘状况具有较高的灵敏度,能有效的检查出变压器绝缘整体受潮、部件表面受潮或脏污以及贯穿性的集中缺陷。例如,各种贯穿性短路、瓷件破裂、引线接壳、器身内有铜线搭桥等现象引起的半贯通性或金属性短路等。
测量铁芯、夹件、穿心螺杆等部件的绝缘电阻能更有效地检出相应部件绝缘的缺陷或故障,这主要是因为这些部件的绝缘结构比较简单,绝缘介质单一,正常情况下基本不承受电压,其绝缘更多的是起“隔电”作用,而不像绕组绝缘那样承受高电压。
1.2.2 测量方法
测量绕组绝缘电阻时,采用2500V兆欧表,并依次测量各绕组对地和其他绕组间绝缘电阻值。被测绕组各引线端子应短接并接测试线,其余各非被试绕组都短路接地。测量的顺序和具体部位如表2.1所示。
1.2.3 综合判断
《规程》规定,绝缘电阻换算至同一温度下,与前一次测试结果相比应无明显变化,一般干式变压器绕组的高压侧不低于300 MΩ,低压侧不低于100 MΩ;铁芯和夹件的绝缘电阻值不应低于2MΩ。
吸收比(10~30℃范围)不低于1.3或极化指数不低于1.5;当绝缘电阻大于10GΩ时,可不考虑吸收比或极化指数。
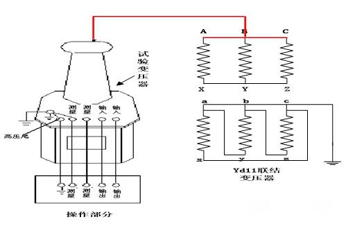
1.3 交流耐压试验
1.3.1 测量的有效性
交流耐压试验是鉴定绝缘强度最有效的方法,特别是对考核主绝缘的局部缺陷,如绕组主绝缘受潮、开裂或者在运输过程中引起的绕组松动、引线距离不够以及绕组绝缘上附着污物等,具有决定性作用。
1.3.2 测量方法与试验电压
干式变压器交流耐压应按预防性试验中三相同时加压的步骤进行,外施工频耐压前后需进行绝缘电阻的测量。进行交流耐压时,被试变压器的正确连接方式是被试绕组所有套管应短路连接并接高压,其余各非被试绕组也要短接并可靠接地。高压侧外施工频耐压接线如图2.2所示,低压侧按照高压侧工频耐压步骤进行。
1.3.3 综合判断
被试设备经交流耐压试验,在规定时间内不发生击穿为合格。仪表指示跳动,过流继电器整定值适当时,试品击穿时继电器会动作;若设备发出声响、冒烟、焦臭、燃烧等,则试品可能击穿。
湖北四方国瑞电力,专业高压试验设备制造商!