




SFGG521电缆外护套故障测试仪是基于MURRAY电桥原理而设计的,可用于敷设后各种电线电缆的击穿点及没有击穿但绝缘电阻值偏低的缺陷点的定位。
功能特点
SFGG521电缆外护套故障测试仪,采用开关电源构成高压恒流源,空载电压7500V,短路电流40mA,采用高灵敏度放大器及检流计指示平衡,与比例电位器构成平衡电桥,整体置于高电位,测量电缆为双芯高压橡皮电缆,用四端电阻测量法避免了引线电阻引入的误差,电缆通过编织屏蔽层可靠接地,面板上的操作钮处于低电位,通过绝缘杆操作电桥。高压恒流源和电桥集成在一个便携式铝合金箱内。因此,该设备电压高、重量轻、操作方便。
技术参数
1.空载电压 ≥7500V
2.短路电流 ≥40mA
3.定位比例精度±(0.2%?L±1)米
4.重量 3.5kg
5.工作电源: 220V
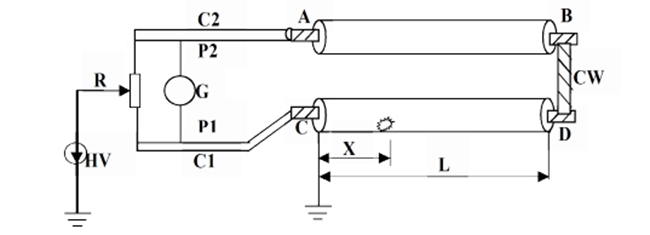
现场接线图

使用现场

问题处理
如发现仪器有不正常情况或故障,不要自行开机拆卸,请与我公司及时联系,以便为您安排合适的处理方案。
| 文件名 | 点击下载 |
| SFGG521电缆外护套故障测试仪 说明书 | |
| SFGG521电缆外护套故障测试仪 检定证书 |